PC-6001Fの音声出力ピンアサインを変更その3

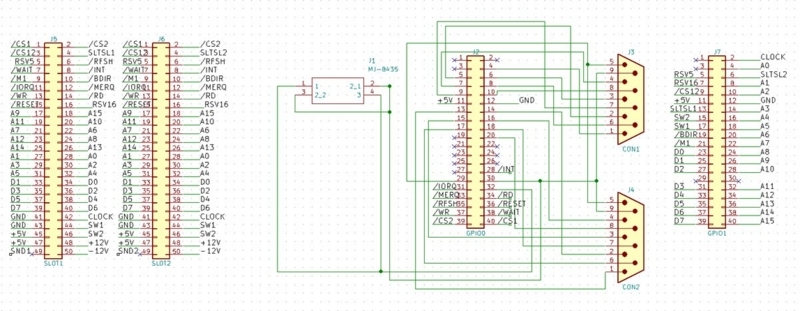
PC-6001Fの音声出力とジョイスティック入力に対応したドーターボードを設計してみました。

http://sbeach.seesaa.net/

f:id:tanam:20180811082244j:image:w360

ついでにカートリッジスロットを2つ追加してみました。ピンアサインはオリジナルなので、そのままではPC-6001Fや1Chip MSXでは使えません。

対応する回路はこれから設計しようと思っています。

http://tms9918.booth.pm